在对焊接工艺的各个要点展开深入探讨以前,我们首先得留意一个重要的起点,那就是焊接接头与坡口。这两个概念不但构成了焊接工艺的基础,而且还对焊接的质量以及效率产生深远的影响。因此,本文会对这两个关键要素进行全面解读,以便帮助读者更良好地去理解以及掌握焊接工艺的精髓。
01焊接接头和坡口的基本概念
> 焊接接头的定义和重要性
焊接工艺所依托的基础是焊接接头,焊接的整体性能直接受其质量的影响。焊接接头,从名字上理解,是经由焊接手段连接而成的接头部位,该部位含有三个重要区域,分别是焊缝、熔合区以及热影响区。焊接的质量与强度,关键取决于这些区域的特性。
> 焊接接头的三大特点
对接头强度及尺寸有着重要影响的是,焊缝宽度、高度以及熔深。接下来,我们会进一步去了解焊接接头的三个关键特点。首先,直接影响接头整体尺寸与强度的是焊缝宽度c。其次,对于确保焊接接头几何形状及承载能力至关重要的参数是焊缝高度或余高h。最后,反映焊接过程中母材与焊材融合程度,且对焊接接头力学性能有深远影响的是焊缝熔深s。
①焊件经焊接后形成的结合部分被称作焊缝,它通常是由熔化的母材以及焊材共同构成的,偶尔情况下可能全部是由熔化的母材组成的。
情况二,所说的热影响区域啊,是指在进行焊接操作的这个过程当中,母材因为它受到了热量的作用,从而发生了金相组织以及力学性能方面的变化,然而却并没有被熔化为液态的那个区域呀。
![图片[1]-焊接工艺中的焊接接头与坡口详解-铆焊老刘铆工焊工笔记](/wp-content/uploads/2026/02/1772198578765_0.png)
③熔合区,处于焊接接头里,属焊缝朝着热影响区过渡的重要区域,它刚刚好处于被加热到熔点以及凝固温度的范围之中。
![图片[2]-焊接工艺中的焊接接头与坡口详解-铆焊老刘铆工焊工笔记](/wp-content/uploads/2026/02/1772198578765_1.webp)
> 焊接接头的形式
不同样式的接头适配不同的结构以及受力状况,对接接头是最为常用的那种。焊接时,连接到一起的部位称作焊接接头。在电弧焊进程里,鉴于焊件厚度、结构特性以及使用条件不一样,所运用的接头样式也会存在差别。常见的焊接接头样式涵盖对接接头、T形接头、角接接头还有搭接接头等,具体样式能够参照表格。
![图片[3]-焊接工艺中的焊接接头与坡口详解-铆焊老刘铆工焊工笔记](/wp-content/uploads/2026/02/1772198578765_2.webp)
选择焊接接头形式之际,要综合考量产品结构,以及受力条件,还有加工成本和诸多其他方面的因素,对接接头凭借受力均匀,以及节省金属等优势,变成了最为常用的选择,然而值得留意的是,对接接头对于下料尺寸,还有组装的精确度有着较高要求,相比较而言,搭接接头虽然材料消耗较多,使得结构自重有所增加,并且接头承载能力相对较低,所以在应用方面受到了一定限制。
![图片[4]-焊接工艺中的焊接接头与坡口详解-铆焊老刘铆工焊工笔记](/wp-content/uploads/2026/02/1772198578765_3.webp)
> 焊接坡口的设计和作用
坡口设计,是为确保焊透,且调节金属比例的关键环节。坡口乃是依据设计或工艺需求,于工件待焊部位加工成特定几何形状沟槽的部分,其加工过程称作开坡口。其目的在于确保电弧可深入焊缝根部,做到完全焊透,况且便于后续清渣作业。对于合金钢来讲,坡口还能够有效地调节母材金属与填充金属之间的比例。
![图片[5]-焊接工艺中的焊接接头与坡口详解-铆焊老刘铆工焊工笔记](/wp-content/uploads/2026/02/1772198578765_4.webp)
![图片[6]-焊接工艺中的焊接接头与坡口详解-铆焊老刘铆工焊工笔记](/wp-content/uploads/2026/02/1772198578765_5.png)
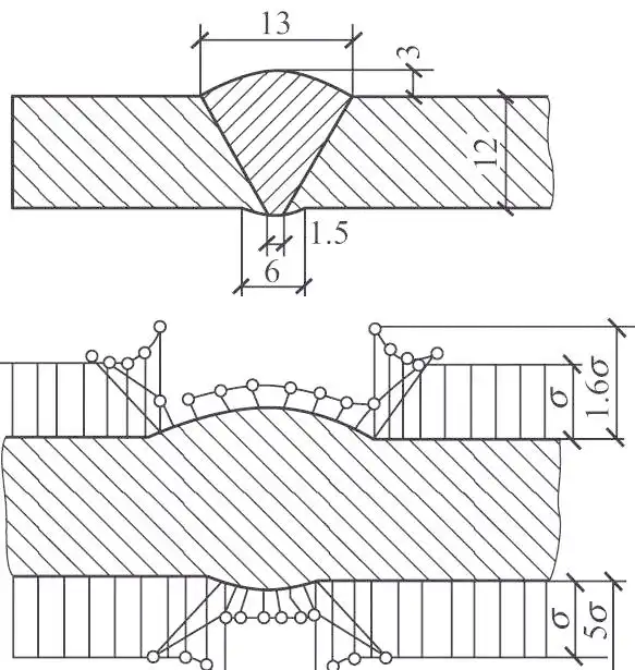
在焊接进程当中,为了让焊件可以获得充足的焊透,进而形成牢固的接头,得在焊件的待焊地区预先加工出特定样子的沟槽。这些沟槽称作坡口。按照不一样的焊接厚度以及坡口准备方法,常用的坡口种类涵盖I形、V形、X形以及U形等。
![图片[7]-焊接工艺中的焊接接头与坡口详解-铆焊老刘铆工焊工笔记](/wp-content/uploads/2026/02/1772198578765_6.webp)
02坡口形式的考量因素
> 对接接头的坡口选择
需依据材料厚度和加工难易程度来选择坡口形式,这会对焊条消耗以及变形产生影响。在焊条电弧焊焊接厚度为6mm的焊件时,在自动焊接厚度在14mm以下的焊件时,通常不用开坡口就能得到合格的焊缝。不过为了保证熔敷金属能够把熔池填满并且实现焊透,板间得留有一定间隙。要是钢板厚度超出了上述范围,电弧有可能没办法熔透钢板,这时就得考虑开设坡口。
![图片[8]-焊接工艺中的焊接接头与坡口详解-铆焊老刘铆工焊工笔记](/wp-content/uploads/2026/02/1772198578765_7.webp)
把不同厚度的钢板进行对接之际,鉴于接头处断面出现突然的变化,这有可能致使应力集中。举例来说,要是焊缝两侧钢板中心线并非一致,在受力的时候就会产生附加弯矩,进而对接头的强度造成影响。所以,边缘偏差必须要严格加以控制,像是在较厚的板上开展双面或者单面削薄处理,以此保证削薄长度L≥3(δ-δ1),进而增强接头的强度以及稳定性。
![图片[9]-焊接工艺中的焊接接头与坡口详解-铆焊老刘铆工焊工笔记](/wp-content/uploads/2026/02/1772198578765_8.webp)
> T形接头坡口形式选择
![图片[10]-焊接工艺中的焊接接头与坡口详解-铆焊老刘铆工焊工笔记](/wp-content/uploads/2026/02/1772198578765_9.png)
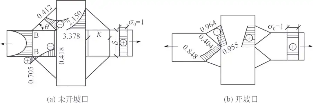
I形、V形、K形、U形坡口设计可有效降低应力集中现象,因为T形接头焊缝与母材的过渡极为急剧,致使在外部作用力的情况下容易产生应力集中现象。在图4 – 6里,图(a)呈现了未开坡口的T形接头正面焊缝的应力分布状况。鉴于焊缝未完全穿透整个厚度,焊缝根部的应力集中现象相当显著。并且,焊趾截面B—B上的应力分布也不均衡,B处的应力集中系数会随着角焊缝的形状进行改变。图(b)所呈现的是开了坡口且完全实现焊透的T形接头,这般设计明显让应力集中的状况有所降低。所以,保证焊透是使T形接头应力集中风险得以降低的关键举措当中的一项。
![图片[11]-焊接工艺中的焊接接头与坡口详解-铆焊老刘铆工焊工笔记](/wp-content/uploads/2026/02/1772198578765_10.webp)
> 角接接头和搭接接头坡口
角接接头的坡口形式以及搭接接头的坡口形式,要适应不一样的受力条件,进而降低应力集中并且提高强度。角接接头的坡口设计,要依据板厚以及工件的重要性来确定,常见的有I形、V形和K形这类。其中,I形坡口又能够分为平接以及错接者两种,具体的形式如同图所展示。
![图片[12]-焊接工艺中的焊接接头与坡口详解-铆焊老刘铆工焊工笔记](/wp-content/uploads/2026/02/1772198578765_11.webp)
在搭接接头地方,由于那构件的形状出现了明显可观的变化,致使其应力集中的现象呀,则比那对接接头来讲更为复杂些。于搭接接头之中,按照搭接角焊缝的受力方向,能够把它细致划分成正面角焊缝,再就是侧面角焊缝,还有斜向角焊缝。
![图片[13]-焊接工艺中的焊接接头与坡口详解-铆焊老刘铆工焊工笔记](/wp-content/uploads/2026/02/1772198578765_12.webp)
有必要特别指明的是,单面进行焊接的那种搭接接头,其根部极易出现拉裂状况,进而致使强度达不到要求。所以,在实际运用当中,应当尽可能地防止采用这类接头。要是因为结构方面的条件制约而不得不使用单面搭接的话,那么能够考虑借助采用塞焊等技术方式来增强接头的强度。













