排序
焊接坡口标准.pdf
焊接坡口焊接坡口简简介介焊接接头形式及坡口选用焊接结构设计与坡口设计焊接变形产生的原因焊接结构设计与坡口设计焊接变形产生的原因焊接变形的控制与矫正一焊接接头形式及坡口选用接头型式与
焊接坡口的类型、重要性及应用解析
01焊接坡口的加工与重要性在焊接过程中,为了确保焊接质量,对工件需要焊接的部分进行合适的坡口加工至关重要。这种加工可以通过气割或切削完成,通常形成的坡口为斜面,有时也可能为曲面。
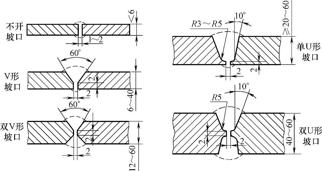
坡口焊接的规范要求,坡口角度大小选择的标准
坡口焊接的规范要求? 坡口焊的准备工作和焊接工艺应满足下方罗列出来的要求: (1) 坡口面应平顺,切口边缘不可以有裂纹、钝边和缺棱。 (2) 坡口的视角可以按照数据选用。
技能篇|焊接检验员必备,焊缝检验尺的使用
对于焊接企业的质检人员来说,焊缝检验尺的使用与操作是必不可少的基本技能之一。选择与你产品匹配的检验尺(多功能焊规或专用焊规)与相应的辅助设备(如:补光灯,放大镜,反光镜等)。










