1.接头形式
由两个或两个以上零件需用焊接来组合或者已经焊合的接点,被称作焊接接头。一个焊接结构始终是由若干个焊接接头所构成。焊接接头存在着许多种类型。其中基本类型主要涵盖对接接头、角接接头、T形接头、搭接接头以及卷边接头。
1)对接接头
有一种接头,被称作对接接头,其两件表面所构成的夹角,是大于或等于一百三十五度,同时小于或等于一百八十度的。在各种焊接结构里,这种对接接头是被采用次数最多的一种接头形式。
焊件厚度不一样,坡口形式也不同,对接接头的坡口形式,能分成I形,V形,双V形,U形,双U形,双单边V形,Y形,单边V形,J形,双J形,还有它们的组合,以及带垫板的那种坡口形式。
除重要结构外,钢板厚度在6mm以下时,一般不开坡口(或I形坡口)。开坡口的对接接头,用于钢板较厚且需要全焊透的焊件。带垫板的V形坡口,常用于要求全焊透但焊缝背面无法焊接的焊件,比如小直径管道的对接焊缝。对于一些重要焊件,因易形成夹渣,所以不宜使用带垫板的接头。可改写为:对于不同厚度钢板,做对接焊下那个重要受力接头,瞧啊,要是两板厚度差也就是(δ – δ1),没超过像表1 – 2所展示规定的情形时,接头坡口的基本形式以及尺寸,得依据较厚板的尺寸数据去选取。
表1-2 板厚与厚度差的关系 (单位:mm)
倘若两板的厚度存在差值,也就是(δ – δ1),并且超出了此表所规定的范围,那么就应当在厚板之上实施单面或者双面的削薄操作,如同图1 – 1所展示的那样,其削薄的长度为L,这个L要满足L≥3(δ – δ1)的条件。


图1-1 不同厚度钢板对接接头设计
焊缝各部分名称如图1-2所示。

图1-2 两种不同焊缝
2)角接接头
被称作角接接头的是,两件端部构成夹角大于30°且小于135°的接头。这类接头受力状况并非良好,常被应用于不重要的结构之内。依据焊件厚度存在差异,其坡口形式能够划分成I形(即不开坡口)、错边I形、带钝边J形、带钝边双单边V形(也就是K形)以及V形等等。
3)T形接头
一件的端面跟另一件的表面形成直角或者差不多是直角的接头,被称作T形接头,依据垂直板厚度不一样,它的坡口形式能够分成I形,就是不开坡口,还有K形,也就是带钝边双单边V形坡口等。
4)搭接接头
有两件部分重叠构成的接头,被称作搭接接头。依据结构形式以及对强度作的要求不一样,它能分为不开坡口、圆孔内塞焊以及长孔内角焊这三种形式。不开坡口的那种搭接接头,通常用于厚度在12mm以下的钢板,它的重叠部分大于或等于2(δ1+δ2),采用双面焊接,这种接头强度比较差,用于不重要的结构当中。当重叠部分面积较大时,可按照板厚以及强度要求,分别选用不同大小和数量的圆孔内塞焊及长孔内角焊的接头形式。
5)卷边接头
焊件准备焊接时,其端部要预先进行卷边操作,焊接完成之后,卷边仅有部分出现熔化的情况这种接头,被称作卷边接头,此接头主要是用于薄板以及有色金属的焊接工作,为了避免在焊接过程中焊件出现烧穿现象,卷边之后能够增加连接头的厚度。

熔焊接头中焊缝类型如表1-3所示。
表1-3 熔焊接头中焊缝类型

设计与选择焊接接头应考虑以下因素:
① 各种焊接接头的特性。
② 接头面对的受到载荷的性质,以及其大小情况,像是拉伸的状况,压缩的情形,弯曲对应的情况,疲劳所反映的情形,还有冲击呈现出的状况等。
③ 产品结构的形状、尺寸和材质。
④ 焊接变形的控制和施焊的难易程度。
⑤ 接头焊前的准备和焊接所需费用。
2.坡口
(1)坡口的类型。如表1-4所示为不同坡口类型的图形和符号。
表1-4 坡口的类型


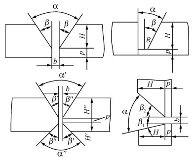
(2)坡口各部位的名称。坡口各部位的名称如图1-3所示。

α,α′,α″,这是所谓的坡口角度,;β,β 1,β 2,β′,β″,这些是坡口面角度。
大写字母H,H′,H″所代表的是坡口深度 小写字母p所代表的是钝边高度 小写字母b所代表的是根部间隙 大写字母R所代表的是根部半径。
图1-3 坡口各部位的名称
(3)旨在达成焊透等目的而进行的选择坡口形式的原则,在选择坡口之际,需要考量被焊构件的厚度,以及焊接方法,还有焊接位置以及焊接工艺过程。除此之外,还应当契合以下几点要求啊。
填充材料理应是最少的那种,比如说,在同厚度平板对接的情形下,采用双V形坡口是能够节省材料的情况。
② 应当具备良好的可达性,若是存在不便或者不能够两面进行施工的情况时,就应该挑选V形或者U形坡口。
③ 坡口进行加工是比较容易的,并且成本是低的。比如说的话,V形坡口以及双V形坡口能够采用气割这种方式来进行加工,然而U形坡口通常情况下是要采用机械加工的方式的,这样一来就会使得成本有所增高。
④ 应利于控制焊接变形。













