钣金进行折弯以及展平操作期间,材料的其中一侧会出现被拉长情况,而另一侧却会被压缩,这种现象受到好多因素影响,涵盖材料类型,厚度,热处理状况,还有加工时的折弯角度。
于展开计算之际,我们依循一定之原理,首先,板料于弯曲之时,外层承受拉应力,而内层承受压应力,然而,有一个既不承受拉力亦不承受压力之过渡层,被称作中性层,此中性层于弯曲进程中长度维持不变,故而成为计算弯曲件展开长度之基准。
变形程度会致使中性层的位置产生改变,弯曲半径较大且折弯角度较小时,变形程度较小,中性层位置靠近板料厚度的中心,弯曲半径变小以及折弯角度增大时,变形程度相应增大,中性层位置会渐渐向弯曲中心的内侧移动,中性层到板料内侧的距离,我们以λ来表示。
展开计算的基本公式
针对这种情况,展开长度的计算方式较为特别,是料内加上,料内再加上补偿量的结果以此作为展开长度。此公式在这样的条件中,当处于一般折弯状况情形下是适用的,在这当中R所代表的意义是弯曲半径,θ所代表的意义指的是折弯角度。并且在R等于0,同时θ等于90°这种特定情况时,会发现该公式依旧是适用的。
L = A + B + K
当T≤3时,K取值为0。
对于铁质材料:
a. 当3≤T≤5时,K = 4T;
b. 当5≤T≤5时,K = 35T;
c. 当T>5时,K = 3T。
对于其他有色金属材料,如AL和CU:
当T<3时,K = 4T。

请注意,当处于R小于或等于0这种状况下,我们通常吧R看作0来予以处理。另外,这个公式是有涵盖一般折弯情形适用范围的,其中R所代表的是弯曲半径,θ所代表的是折弯角度。当R不是0而且θ等于90°的时候,该公式也同样适用于此情况。
L等于A加上B再加上K,这里面K值所代表的是中性层弧长,而在折弯这个过程当中,中性层弧长是一个重要的关乎参数的东西,依据不同的材料以及折弯条件,K值的取值也是有所不一样的,以下便是K值的取值规则:
当折弯力矩T小于等于5时,中性层弧长λ取值为5T。
当折弯力矩T大于5时,中性层弧长λ取值为4T。
此外,该公式同样适用于一般折弯情形,也就是那种R等于0并且θ不等于90°的情形。
L这一数值,它等于A股加上B股再加上K撇,这里面K撇所代表的,是处于特定条件之下的中性层弧长补偿,而这种补偿量,会按照折弯力矩T不相同的情况,进而产生有所不同的变化。
当折弯力矩T小于等于3时,中性层弧长补偿K’取值为0。
小于3的时候,当折弯力矩T,是按照公式(u/90)*K进行计算中性层弧长补偿K’的,这里面的K是90°时那补偿量。
除此以外,这个公式同样是适用于一般的折弯情形的,也就是那种R不等于0并且θ不等于90°的情形。
![图片[2]-钣金折弯与展开计算方法详解,实用技巧大揭秘!-铆焊老刘铆工焊工笔记](/wp-content/uploads/2026/04/1775877713560_1.png)
L等于A加上B再加上K,这里面,K值所代表的是中性层弧长情况。于特定状况之下得出,该弧长补偿量会依据折弯力矩T的变化而呈现出不一样的情形:

当折弯力矩T小于等于5时,λ取值为5T。
当折弯力矩T大于5时,λ取值为4T。
此外,存在这样一种情况,该公式是适用的,此情况为一般折弯,也就是R不等于0,并且θ不等于90°。同时,又有另一种情形,当R小于等于0,而且采用折刀加工这种方式时,计算的方式应当按照R等于0来进行,这里面,A和B的值是依据倒零角之后的直边长度来确定的。此外,还要把Z折1,也就是直边段差的影响考虑进去。
当H的值大于T的5倍这个情况出现的时候,就需要分两次去进行成型这个操作,在这种时候应当按照两个90°的折弯这种方式来开展计算。
当H的值小于或者等于五倍于T的时候,能够一次性成型,在这时,L的值等于A加上B之后再加上K,其中K值的取值是参照附件当中的参数的。
此外,还需考虑Z折2(即斜边段差)的影响。
![图片[4]-钣金折弯与展开计算方法详解,实用技巧大揭秘!-铆焊老刘铆工焊工笔记](/wp-content/uploads/2026/04/1775877713560_3.png)
当H值小于或者等同于2倍的T这个数值的时候,应该依照直边段差的那种方式来实施计算,在这种状态下展开长度是展开之前总体的长度再加上K,而其中K这个值是2。
当H值大于T的两倍时,要依照两段折弯这一方式来展开,这时R值是0,并且θ并非等于90°。
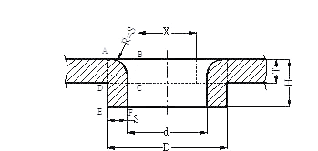
接下来,我们讨论抽孔的尺寸计算
体积不变原理是抽孔尺寸计算所遵循的,也就是抽孔前后材料体积维持相同。对于一般抽孔情形,我们能够运用以下公式 ,其中涉及参数详见右图(预设冲孔为 X,且考虑修正系数 -1)。
![图片[5]-钣金折弯与展开计算方法详解,实用技巧大揭秘!-铆焊老刘铆工焊工笔记](/wp-content/uploads/2026/04/1775877713560_4.png)
若抽孔属于抽牙孔(也就是抽孔之后要进行攻牙操作),那么因T有着不一样的取值范围,S的取值便会存在差异:在T小于或等于5时,选取S等于100%T;于5。(你提供的内容不完整,请补充完整以便我继续准确改写)

若抽孔被用于铆合,那么S的取值为50%T,与此同时,需要满足H等于T加上T’再加上4这样的条件(这里面,T’是和抽孔相铆合的板厚),除此之外,抽孔跟色拉孔之间的间隙应当被控制在单边10至15的范围之内。
倘若在原图里头,抽孔那里是没有做任何标识以及标注的情况,那就必须要确保,抽孔之后的内径尺寸以及外径尺寸,是符合规定要求的。
当预冲孔径的计算值小于0时,应一律取值为0。
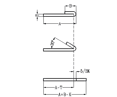
接下来,我们探讨反折压平的相关内容。
![图片[7]-钣金折弯与展开计算方法详解,实用技巧大揭秘!-铆焊老刘铆工焊工笔记](/wp-content/uploads/2026/04/1775877713560_6.png)
L= A+B-4T
我们在反折压平期间,能够依照实际情形抉择是否于折弯先前开展压线动作,并且压线的所在位置一般处于折弯变形区里的中部。反折压平的进程一般划分成两步,先是开展 V 折 30°的操作,接着再开展反折压平。因而,在绘制展开图的折弯线之际,我们要依照 30°的折弯线去绘制。
倘若采用那种垫片反折压平的N折加工方法,那么就应当依照L=A+B+K这个公式来开展计算,其中K值要参照附件里的参数去挑选。
要是N折运用别的加工方法,那么展开算法呢需参照“一般折弯所指 的是(R不等于0而且θ不等于90°)”的有关内容。
此外,还需注意以下事项:
a. 做尺寸设计之际,要是有公差存在,那就得选取上下极限尺寸的中间那个值来当作设计标准。
b. 对于方形抽孔的展开,以及外部包角的展开,其角部的处理,需要参照《产品展开工艺处理标准》,而直壁部分,要按照90°折弯来进行展开。









![2025年中国钣金加工行业现状、产业链结构及发展全景研判:智能化是行业未来发展趋势[图]-铆焊老刘铆工焊工笔记](https://83ch.com/wp-content/uploads/2026/02/1771729218647_0.png)


