![图片[1]-钣金折弯展开的计算方法,实用!-铆焊老刘铆工焊工笔记](/wp-content/uploads/2026/04/1775903776210_0.gif)
当对钣金进行折弯以及展平操作的时候,有一侧的材料会出现被拉长的情况,而另一侧的材料则会被压缩,在此过程中,会受到多种因素的影响,这些因素包含:材料的具体类型,材料本身的厚度规格,材料所经历的热处理状况,还有进行加工折弯时所采用的角度。
展开计算原理:
1. 板料于弯曲进程里,外层遭受拉应力,内层承受压应力,自拉至压之间存在一个既不承受拉力也不承受压力的过渡层,此过渡层被称作中性层,中性层在弯曲过程中的长度跟弯曲之前相同,维持不变,故而中性层是用于计算弯曲件展开长度的基准。
2. 中性层位置跟变形程度是有关系的,弯曲半径比较大的时候,折弯角度比较小,变形程度就比较小,此时中性层位置靠近板料厚度中心处,当弯曲半径变小,折弯角度增大时,变形程度跟着增大,中性层位置渐渐向弯曲中心内侧移动,中性层到板料内侧的距离用λ来表示。
展开计算的基本公式:
展开长度 = 料内+料内+补偿量
1)一般折弯:(R=0, θ=90°)
![图片[2]-钣金折弯展开的计算方法,实用!-铆焊老刘铆工焊工笔记](/wp-content/uploads/2026/04/1775903776210_2.jpg)
L=A+B+K
1. 当0≤T≤0.3时, K=0
2. 对于铁材:
a.当0.3≤T≤1.5时, K=0.4T
b. 当1.5≤T≤2.5时, K=0.35T
c. 当 T>2.5时, K=0.3T
3. 对于其它有色金属材料如AL,CU:
当 T<0.3时, K=0.4T
注: R≤2.0时, 按R=0处理.
2)一般折弯 (R≠0 θ=90°)
![图片[3]-钣金折弯展开的计算方法,实用!-铆焊老刘铆工焊工笔记](/wp-content/uploads/2026/04/1775903776210_3.jpg)

L=A+B+K K值取中性层弧长
1. 当T≤1.5 时 λ=0.5T
2. 当T>1.5时 λ=0.4T
3)一般折弯 (R=0 θ≠90°)
![图片[5]-钣金折弯展开的计算方法,实用!-铆焊老刘铆工焊工笔记](/wp-content/uploads/2026/04/1775903776210_5.jpg)
L=A+B+K’
1. 当T≤0.3 时 K’=0
2. 当T<0.3时 K’=(u/90)*K
注: K为90∘时的补偿量
4)一般折弯 (R≠0 θ≠90°)
![图片[6]-钣金折弯展开的计算方法,实用!-铆焊老刘铆工焊工笔记](/wp-content/uploads/2026/04/1775903776210_6.jpg)
L=A+B+K
1. 当T≤1.5 时 λ=0.5T
2. 当T>1.5时 λ=0.4T
K值取中性层弧长
注意,当R小于或等于2.0时,并且是采用折刀进行加工处理的状况下,那么按照R等于0来开展计算,A以及B依据倒零角之后的直边长度去获取相应取值。
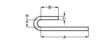
5)Z折1(直边段差)

1. 当H>5T时, 分两次成型时,按两个90°折弯计算
2. 当H≤5T时, 一次成型, L=A+B+K
K值依附件中参数取值
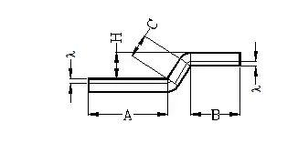
6)Z折2(斜边段差)
![图片[8]-钣金折弯展开的计算方法,实用!-铆焊老刘铆工焊工笔记](/wp-content/uploads/2026/04/1775903776210_9.jpg)
1. 在H小于或等于2T这个条件之下,按照直边段差的那种方式来进行计算,也就是说,展开的长度等于展开之前的总长度加上K。
K=0.2
2. 当H>2T时, 按两段折弯展开(R=0 θ≠90°).
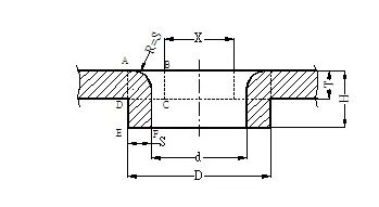
7)抽孔
抽孔时尺寸的计算原理是基于体积保持不变的原理,也就是说在进行抽孔操作前后,材料的体积不会发生改变;对于一般情况下的抽孔而言,是按照如下公式来进行计算的,其中公式里的参数可以查看右边的图(假设预先冲的孔为X,并且要加上修正系数–0.1)。
![图片[9]-钣金折弯展开的计算方法,实用!-铆焊老刘铆工焊工笔记](/wp-content/uploads/2026/04/1775903776210_10.jpg)
1. 若抽孔为抽牙孔(抽孔后攻牙), 则S按下列原则取值:
T≦0.5时取S=100%T
0.5
T≧0.8时取S=65%T
一般常见抽牙预冲孔按附件一取值
2. 倘若抽孔是用于铆合的情况,那么选取的S等于50%T,这里的H等于T加上T’再加上0.4,需要注意的是,其中T’指的是与之相铆合的板厚,而且抽孔与色拉孔之间的间隙是单边处于0.10至0.15的范围。

3. 若原图中抽孔未作任何标识与标注, 则保证抽孔后内外径尺寸
4. 当预冲孔径计算值小于1.0时, 一律取1.0
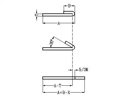
8)反折压平
![图片[11]-钣金折弯展开的计算方法,实用!-铆焊老刘铆工焊工笔记](/wp-content/uploads/2026/04/1775903776210_12.jpg)
L= A+B-0.4T
1. 进行压平操作之际,依据实际所呈现的状况来思索于折弯之前是否压线,压线之处乃是折弯变形区域的中部。
2. 反折压平一般分两步进行
V折30°
反折压平
故在作展开图折弯线时, 须按30°折弯线画。
9)N折
![图片[12]-钣金折弯展开的计算方法,实用!-铆焊老刘铆工焊工笔记](/wp-content/uploads/2026/04/1775903776210_13.jpg)
1.当 N 折的加工方式呈现为垫片进行反折压平这种情形时,那么便依照 L 等于 A 加上 B 再加上 K 来予以计算,其中 K 值是依据附件当中所规定的参数来进行取值的。
2.当按照其他方式去对N进行折叠加工的时候,展开算法参考“一般的折弯(不等于0 角度不等于90度)”。
备注:
a.标注公差的尺寸设计值:取上下极限尺寸的中间值作设计标准值。
b.抽孔呈方形时以及外部有包角的情况,展开过程中,角部的处理方式要参照相关标准,直壁部位按照90°折弯进而展开。









![2025年中国钣金加工行业现状、产业链结构及发展全景研判:智能化是行业未来发展趋势[图]-铆焊老刘铆工焊工笔记](https://83ch.com/wp-content/uploads/2026/02/1771729218647_0.png)


