1.折弯一刀展开图例和计算公式
A、B–工件弯边长度
P’一弯边折弯系数(折弯系数:弯一刀城一个系数)
R–弯边圆角(一般为板厚)
T-—材料
那个厚度展开的长度L,其等于A加上B再减去P’ ,也就是L等于25加上65然后减去5.5 ,所得结果是84.5。
按表1板厚为3下模为V25折弯系数为5.5注:
按表1,选用下模不同折弯系数不同,板厚不同折弯系数不同。
2.折弯二刀展开图例和计算公式
![图片[1]-总结的各种钣金折弯展开计算公式真是太全了-铆焊老刘铆工焊工笔记](/wp-content/uploads/2026/02/1772251548200_0.jpg)
A(A1)、B–工件弯边长度
P’——弯边折弯系数(折弯系数:弯一刀减一个系数)
R–弯边圆角(一般为板厚)
把材料厚度记作T,展开长度记为L,那么L等于A加上T再加上B减去2乘以P’,也就是L等于50加上2加上50减去2乘以3.4,结果是95.6。
按表1板厚为2下模为V12折弯系数为3.4注:
按表1,选用下模不同折弯系数不同,板厚不同折弯系数不同
3.折弯三刀展开图例和计算公式
![图片[2]-总结的各种钣金折弯展开计算公式真是太全了-铆焊老刘铆工焊工笔记](/wp-content/uploads/2026/02/1772251548200_1.jpg)
A(A1)、B(B1)-一工件弯边长度
P’——折弯系数(弯一刀减一个系数)
R–弯边圆角(一般为板厚)
T—-材料厚度展开长度
L等于A加上T加上B加上T减去3乘以P’,也就是L等于50加上2加上90加上2减去3乘以3.4,结果等于133.8。
按表1板厚为2下模为V12折弯系数为3.4注:
按表1,选用下模不同折弯系数不同,板厚不同折弯系数不同
4.折弯四刀展开图例和计算公式
![图片[3]-总结的各种钣金折弯展开计算公式真是太全了-铆焊老刘铆工焊工笔记](/wp-content/uploads/2026/02/1772251548200_2.jpg)
A(A1)、B(B1)-一工件弯边长度
P’——折弯系数(弯一刀减一个系数)
R–弯边圆角(一般为板厚)
T—-材料厚度展开长度
L=A+T+B+T-3xP’即L=50+2+90+2-3×3.4=133.8
![图片[4]-总结的各种钣金折弯展开计算公式真是太全了-铆焊老刘铆工焊工笔记](/wp-content/uploads/2026/02/1772251548200_3.png)
按表1板厚为2下模为V12折弯系数为3.4注:
按表1,选用下模不同折弯系数不同,板厚不同折弯系数不同
4.折弯四刀展开图例和计算公式
![图片[5]-总结的各种钣金折弯展开计算公式真是太全了-铆焊老刘铆工焊工笔记](/wp-content/uploads/2026/02/1772251548200_4.jpg)
A、B(B1)—一工件弯边长度
P’—-弯边折弯系数(折弯系数:弯一刀减一个系数)
R–弯边圆角(一般为板厚)
T-—材料厚度
展开之长度L等于A加上A再加上B加上T加上T减去4乘以P’,也就是L等于25加上25加上100加上1.5加上1.5减去4乘以2.8等于141.8。
按表板厚为1.5下模为V12折弯系数为2.8注:
按表1,选用下模不同折弯系数不同,板厚不同折弯系数不同
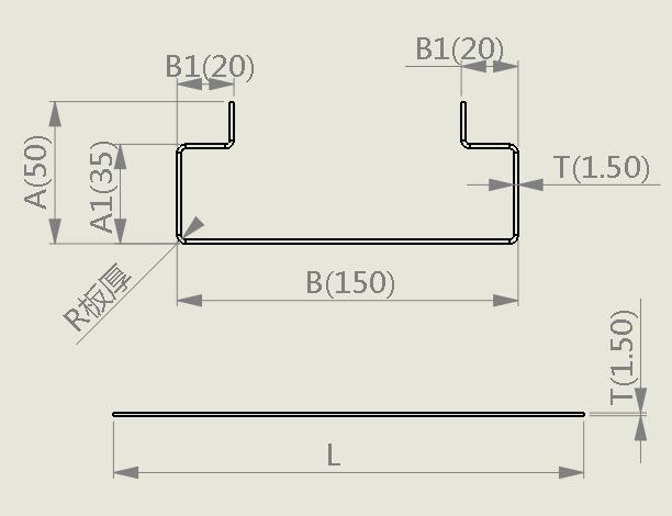
5.折弯六刀展开图例和计算公式
![图片[6]-总结的各种钣金折弯展开计算公式真是太全了-铆焊老刘铆工焊工笔记](/wp-content/uploads/2026/02/1772251548200_5.jpg)
A(A1)、B(B1)一工件弯边长度
P’—弯边折弯系数(折弯系数:弯一刀减一个系数)
R–弯边园角(一般为板厚)
T一材料厚度
L=A+T+A+T+B+B1+B1-6xP’即
按表1板厚为1.5下模为V12折弯系数为2.8注:
按表1,选用下模不同折弯系数不同,板厚不同折弯系数不同。
6.折弯180°展开图例和计算公式
![图片[7]-总结的各种钣金折弯展开计算公式真是太全了-铆焊老刘铆工焊工笔记](/wp-content/uploads/2026/02/1772251548200_6.jpg)
A、B-一工件弯边长度
P’——打平圆角折弯系数
R–弯边圆角(一般为板厚)
T是材料厚度,展开长度L等于A加上B减去P’,也就是L等于25加上65减去1得89。
按表2:板厚为2下模为V12折弯系数为板厚一半注:
按表2:选用下模不同折弯系数不同,板厚不同折弯系数不同
7.双层折弯展开图例和计算公式
![图片[8]-总结的各种钣金折弯展开计算公式真是太全了-铆焊老刘铆工焊工笔记](/wp-content/uploads/2026/02/1772251548200_7.jpg)
![图片[9]-总结的各种钣金折弯展开计算公式真是太全了-铆焊老刘铆工焊工笔记](/wp-content/uploads/2026/02/1772251548200_8.jpg)
A、B–工件弯边长度
P1-一内弯角折弯系数
P2-一外弯角
![图片[10]-总结的各种钣金折弯展开计算公式真是太全了-铆焊老刘铆工焊工笔记](/wp-content/uploads/2026/02/1772251548200_9.png)
折弯系数R–弯边园角(一般为板厚)
T-—材料厚度
早晨开启的长度是,L一等于,括号A减去一点五,加上括号B减去一点五,再减去P一,也就是L一等于,括号六十五减去一点五,加上括号二十五减去一点五,然后减去三点二,结果等于八十三点八。
L2=A+B-P2即L2=65+25-4.1=85.9
对照表格2来看,板的厚度是1.5,下模是V12,内角的折弯系数是3.2,外角的折弯系数是4.1,180度的折弯系数是0.75,请注意这一点哈。
按表2,选用下模不同折弯系数不同,板厚不同折弯系数不同;
8.双层折弯展开图例和计算公式
![图片[11]-总结的各种钣金折弯展开计算公式真是太全了-铆焊老刘铆工焊工笔记](/wp-content/uploads/2026/02/1772251548200_10.jpg)
![图片[12]-总结的各种钣金折弯展开计算公式真是太全了-铆焊老刘铆工焊工笔记](/wp-content/uploads/2026/02/1772251548200_11.jpg)
A(A1)、B1B2–工件弯边长度
P1-—内弯角折弯系数
P2-—外弯角折弯系数
P3–90折弯系数
R–弯边园角《一般为板厚)
T-—材料厚度
P4–180’折弯系数
铺开延展的幅度,其数值为:L1等于A加上B1减去P2,也就是说L1就是七十五加上二十九,而后再减去四点六,最终结果等于九十九点四。
L2=(A1-T)+(B1-T)-P1
即L2=(37-2)+(29-2)-3.7=58.7
按照表2,板厚是2,下模是V12,内角折弯系数为3.7,外角折弯系数为4.6,180折弯系数,注意。
按表2,选用下模不同折弯系数不同,板厚不同折夸系数不同;
9.双层折弯展开图例和计算公式
![图片[13]-总结的各种钣金折弯展开计算公式真是太全了-铆焊老刘铆工焊工笔记](/wp-content/uploads/2026/02/1772251548200_12.jpg)
![图片[14]-总结的各种钣金折弯展开计算公式真是太全了-铆焊老刘铆工焊工笔记](/wp-content/uploads/2026/02/1772251548200_13.jpg)
![图片[15]-总结的各种钣金折弯展开计算公式真是太全了-铆焊老刘铆工焊工笔记](/wp-content/uploads/2026/02/1772251548200_14.jpg)
A,A1,A2,B1,B2,L,L1,L2,L3 ,此乃工件弯边长度。
P1–内角折弯系数
R–弯边圆角(一般为板厚)
T-—材料厚度
P2-一外角折弯系数
![图片[16]-总结的各种钣金折弯展开计算公式真是太全了-铆焊老刘铆工焊工笔记](/wp-content/uploads/2026/02/1772251548200_15.png)
展开的长度是这样的,L1是等于,(A1减去T)加上,(B2减去T)再减去,P1也就是,L1等于,(35减去2)加上,(34减去2)再减去,3.7等于,61.3。
L2等于,(B1减去T)加上,(A2减去T)再减去P1,也就是L2等于,(50减去2)加上,(34减去2)再减去3.7,结果是76.3。
按照表2,板的厚度是2,下模是V12,内角的折弯系数为3.7,外角的折弯系数为4.6,180“的折弯系数为1,需要注意的是。
按表2:选用下模不同折弯系数不同,板厚不同折弯系数不同;
10特殊角度折弯展开图例和计算公式
![图片[17]-总结的各种钣金折弯展开计算公式真是太全了-铆焊老刘铆工焊工笔记](/wp-content/uploads/2026/02/1772251548200_16.jpg)
A(A1)、B(B1)–工件弯边长度
P’——折弯角折弯系数(随角度变化且变化)
R–弯边圆角(一般为板厚)
T–材料厚度
展开的长度是这样计算的,L等于,先算出A减去T的值,再加上B减去T的值,然后减去P′,也就是A1加上B1再减去P”,就此得出L等于,先是66减去1的结果,加上26减去1的结果,减去2,依次计算就是65加上25减去2,最终结果等于88。
按表3:板厚为2下模为V1260折弯系数为2注:
按表3,选用中性层做为折弯长度和宽度;
11 压台阶展开图例和计算公式
![图片[18]-总结的各种钣金折弯展开计算公式真是太全了-铆焊老刘铆工焊工笔记](/wp-content/uploads/2026/02/1772251548200_17.jpg)
A、B-—工件弯边长度
R–弯边圆角(一般为板厚)
T-—材料厚度展开长度:L=A+1注:
当台阶等于二个板厚,每压一个台阶加0.5,压二个台阶加1
附表
![图片[19]-总结的各种钣金折弯展开计算公式真是太全了-铆焊老刘铆工焊工笔记](/wp-content/uploads/2026/02/1772251548200_18.jpg)
![图片[20]-总结的各种钣金折弯展开计算公式真是太全了-铆焊老刘铆工焊工笔记](/wp-content/uploads/2026/02/1772251548200_19.jpg)
![图片[21]-总结的各种钣金折弯展开计算公式真是太全了-铆焊老刘铆工焊工笔记](/wp-content/uploads/2026/02/1772251548200_20.jpg)









![2025年中国钣金加工行业现状、产业链结构及发展全景研判:智能化是行业未来发展趋势[图]-铆焊老刘铆工焊工笔记](https://83ch.com/wp-content/uploads/2026/02/1771729218647_0.png)


