一、所涉及的焊接接头形式,其具体涵盖对接接头,还有角接接头以及 T 字形接头,甚至包括搭接接头。
有三种焊接接头形式,分别是,(a)对接接头,(b)角接接头,(c)搭接接头展示于图4-44。
1.对接接头,其结构是,两个相互连接的零件在接头处的中面会处于同一平面,或是处于同一弧面内展开焊接的接头 ,其特点为,受热做到均匀,受力呈现对称,方便进行无损检测,焊接质量能够容易得到保证 ,应用方面,它属于最常用的焊接结构形式。角接接头和T型接头,其结构是,两个相互连接的零件在接头处的中面相互垂直,或者相交构成某一角度来进行焊接的接头 ,两构件以T字形焊接在一块的接头,称作T型接头 ,角接接头和T字接头都会形成角焊缝。其特点为,结构呈现不连续的状况,在承载之后,受力状态相较于对接接头而言要差一些,应力集中的情况较为严重,并且焊接质量也不容易被保证。其应用于某些特殊的部位,比如接管、法兰、夹套、管板以及凸缘的焊接等等。搭接接头的结构是,两个相互连接的零件在接头之处有部分是重合在一起的,中面相互平行,进而进行焊接的接头。其特点是,属于角焊缝,和角接接头一样,在接头处结构明显地不连续,承载之后接头部位的受力状况较差。适用范围:重点是用以强化圈跟壳体、支座垫板同器壁以及凸缘与容器之间的焊接。二、坡口样式 焊接坡口——为确保全熔透以及焊接品质,降低焊接变形,在施焊以前,通常会把焊件连接处事先加工作成各种各样的形状。不同类别的焊接坡口,适用于不一样的焊接方法以及焊件厚度。 坡口形态 基本坡口形态: Ⅰ形、V形、单边V形、 U形、J形。 组合形状 特殊情况:一般接头需要开设坡口,然而搭接接头不用开坡口就能进行焊接。 双V形坡口由两个V形坡口和一个I形坡口组合而成
图4-45 坡口的基本形式

图4-46 双V形坡口

三、压力容器焊接接头进行分类有着这样的目的,即为对口错边量,为热处理,为无损检测,为焊缝尺寸等方面,能够提出各不相同的要求,所依据的是GB150,它是按照位置,按照该接头所连接两元件的结构类型以及应力水平,进而把接头划分成A、B、C、D四类,情况如图4-47。

图4-47 压力容器焊接接头分类
A类:圆筒那块儿的纵向接头(多层包扎容器层板层纵向接头不在此列),球形封头跟圆筒相连接的环向接头,各类凸形封头之中的全部拼焊接头,还有嵌入式接管跟壳体对接相连的接头。B类:壳体部分的环向接头,锥形封头小端和接管连接的接头,长颈法兰与接管连接的接头。不过已被规定属于A、C、D类的焊接接头除外。C类:平盖、管板与圆筒并非对接连接的接头,法兰与壳体、接管连接的接头,内封头与圆筒的搭接接头,以及多层包扎容器层板层纵向接头。D类:与壳体连接的接头,像接管、人孔、凸缘、补强圈等。不过已规定为A、B类的焊接接头是除外的。注意:焊接接头分类的原则在于仅依据焊接接头在容器里所处的位置,并非按照焊接接头的结构形式去分类,所以,在设计焊接接头形式的时候,应由容器的重要程度、设计条件以及施焊条件等去确定焊接结构。如此,同一类别的焊接接头在不同的容器条件下,就有可能存在不同的焊接接头形式。四、压力容器焊接结构设计存在着基本原则,首先是尽量采用对接接头,因为这样易于保证焊接质量,所有的纵向焊接接头以及环向焊接接头,还有凸形封头上的拼接焊接接头,都必须采用对接接头,除此之外,其它位置的焊接结构同样也应尽量采用对接接头,比如角焊缝,要改用对接焊缝,就像图 48(a)需改为 8(b)和(c)。
降低了应力集中,便于了无损检测,助力于保证接头的内部质量。

图4-48 容器接管的角接和对接

2.尽可能采用全熔透的构架,不准许出现未熔透瑕疵,未熔透就是指基体金属与焊缝金属局部没有完全熔合而留有空隙的状况。未熔透致使脆性破坏的起裂点,在交变载荷作用之下,它也有可能引发疲劳破坏。改进措施为,挑选适宜的坡口形式,像双面焊这样;当容器直径较小,并且没办法从容器内部清根时,应当选用单面焊双面成型的对接接头,比如用氩弧焊打底,或者采用带垫板的坡口这类。3.由接头常常会成为脆性破坏还有疲劳破坏的起源之处,所以在做焊接结构设计时要尽量降低应力集中,而应力集中多在焊缝处,那就得尽量去减少它。采取的办法是:能够采用等厚度焊接就尽量采用,针对不等厚钢板的对接,要把较厚的板依照一定斜度削薄然后过渡,之后再去施行焊接,以此来规避形状突变,从而减缓应力集中的程度。通常情况下,要是薄板厚度δ2不大于10mm,并且两板厚度差超过3mm;又或者当薄板厚度δ2大于10mm时,两板厚度差超过薄板的30%,或者超过5mm,这种时候,都需要依照图4-49的要求去削薄厚板边缘。

图4-49 板厚不等时的对接接头
五、常用焊接结构于压力容器设计里关键内容为:挑出恰当的焊缝坡口,让焊材(就是焊条或者焊丝)能够顺利伸进坡口根部,以此来确保全熔透。坡口选择所涉因素有:一、尽力削减填充金属量。二条、确保熔透,防止出现各类焊接缺陷。三、利于焊接过程实施,改良劳动环境条件。四、降低焊接变形以及残余变形量,针对较厚元件焊接之时应尽可能选用沿厚度呈对称状的坡口形式,像X形坡口之类。1、筒体、封头以及它们相互之间连接的焊接结构纵、环焊缝都得采用对接接头。对接接头的坡口形式能分成不开坡口(也就是齐边坡口)、V形坡口、X形坡口、单U形坡口以及双U形坡口等好几种,得依据筒体或者封头厚度、压力大小、介质特性以及操作工况来挑选适宜的坡口形式。接管跟壳体以及补强圈之间的焊接结构,通常仅能够采用角接焊和搭接焊,具体的焊接结构还跟容器的强度和安全性要求有关系。存在多种接头样态,牵涉到是否开坡口、单面焊跟双面焊、熔透与不熔透等方面的问题。在进行设计期间,要依据压力于高低方面的情况、介质所具备的特性情况、是不是处于低温状态、是不是需要对交变载荷以及疲劳问题予以考虑等诸多因素,去挑选出合理的焊接结构。下面对常用的几种结构作介绍。(1)是不带补强圈的插入式接管的焊接结构,此乃中低压容器里对于不需另外进行补强的小直径接管而言使用频率最为高的焊接结构,接管跟壳体之间的间隙应当小于3mm,不然的话易于产生裂纹或者是其它焊接缺陷。(a)图呈现出的是单面焊接结构,它适用于那种,内径小于600mm,且盛装无腐蚀性介质的,接管与壳体之间的焊接情形,其中接管厚度应当小于6mm;(b)图属于最常用的插入式接管焊接结构当中的一种,是全熔透结构,适用于具备从内部清根以及施焊条件的,壳体厚度处于4至25mm范围,并且接管厚度大于等于0.5倍壳体厚度的情况;(c)图是在(b)的基础之上,把接管内径边角处进行倒圆处理,能够用于疲劳、低温以及存在较大温度梯度的操作工况下。

(2)带有补强圈的接管焊接结构有着这样一些要求,其一,要尽可能地与补强之处的壳体贴合得紧密,其二,焊接结构要努力做到完善且合理。然而,仅仅能够采用塔接以及角接这种方式,很难确保实现全熔透,并且也没办法进行无损检测。故而,焊接质量不容易得到保证。对于坡口而言,是大间隙小角度,如此有利于焊条伸至端部,进而减少焊接工作量。图(a)所指的是一般要求的容器,也就是并非低温、不存在交变载荷的容器。图(b)所指的是承受低温、疲劳以及温度梯度较大工况的容器,要保证接管根部以及补强圈内侧焊缝熔透。


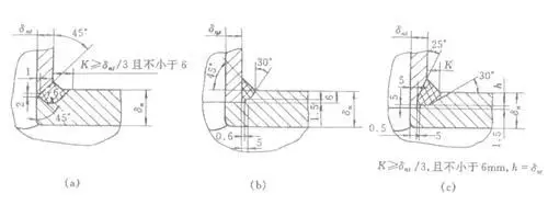
(3)被安放的那种接管的焊接而成的结构,其优点在于,结构的拘束程度比较低,焊缝的截面尺寸较小,相对而言比较容易施行射线检测等。图(a)的情况是,适用于接管的内径小于或者等于100mm的相关场合。图(b)以及图(c)的情形是,分别适用于壳体厚度δn≤16mm的碳素钢和碳锰钢,或者适用于δn≤25mm的奥氏体不锈钢容器,其中图(b)的接管内径应当小于或者等于50mm,厚度δnt≤6mm,图(c)的接管内径应当大于50mm,并且小于或者等于150mm,厚度δnt>6mm。

(4)那种属于整体补强结构里一部分的嵌入式接管的焊接结构,能够适用于像承受交变载荷、低温以及大温度梯度等这般较为苛刻的工况。存在一幅图示为(a)图,而此图所适用的情况是,用于球形封头或者椭圆形封头中心位置处的接管与封头的连接,并且该封头的厚度δn是小于或是等于50mm这一类情况。

(5)容器凸缘与壳体的焊接结构中的凸缘与壳体,其一种连接方式为角焊连接,这种角焊连接用于连接不承受脉动载荷的容器凸缘及壳体,相关图示如图4-54所示。

2)连接方式为对接连接,所连接的是压力较高或者要求全熔透的容器凸缘以及壳体,情况如图4-55。












